使用SFM或者SLAM方法时,其前提假设是所处场景为静态的,也就是其中没有运动的物体。但这样的条件其实在实际中很多时候是不成立的,如道路场景,对此需要一种方法将场景中运动的目标从场景中区分出来。通常情况下会使用如语义分割或是实例分割的形式,抽取场景中固定目标的掩膜,之后从SFM方法中排除出去,从而避免这些运动目标给位姿估计和场景重建带来影响。但是这样的方法存在无法区分真实运动目标的能力,也就是对于属于具备行动能力,如车、人,也会存在静止的情况,一股脑直接从算法中排除出去也不具有合理性。而且语义分割和实例分割需要预先假定可移动目标的类别,不在这些类别中的运动物体是无法被探测到的。
对此,经过一些调研发现无监督视频目标分割(Unsupervised video object segmentation)与所期望的需求由一定关联性,在该类型方法也需要去分析视频数据中的主要运动目标,之后使用mask的形式进行描述,这与期望的效果一致。不过上述无监督视频目标分割在训练的过程中也并不是完全无监督的形式,也需要认为去确定需要分割的mask,这一点上与显著性目标分割有点类似,而运动信息(光流)就显得不是那么至关重要了。不过不管怎么说该类型方法也算是为解决运动目标问题提供一些思考。
此时(2023.03.18)暂就对无监督视频目标分割的一些方法研究,后续对场景中运动目标处理的方法或思路也将在这里进行更新。
benchmark:Paper With Code:unsupervised-video-object-segmentation
paper:Motion-Attentive Transition for Zero-Shot Video Object Segmentation
code:MATNet
该方法是motion-appearance的,输入的数据是RGB图像和光流估计,它们分别输入各自编码器抽取特征,使用MAT和SSA模块实现两种类型数据的融合,融合之后的多尺度特征通过BAR模块实现多尺度mask预测。

MAT模块:
使用光流和RGB图像的特征做coss-attention操作,其运算步骤如下图所示:

SSA模块:
该模块是通过CABM(channel&spatial上的attention)和一个可学习的scale参数共同构成,用于得到编码器部分最后的特征。
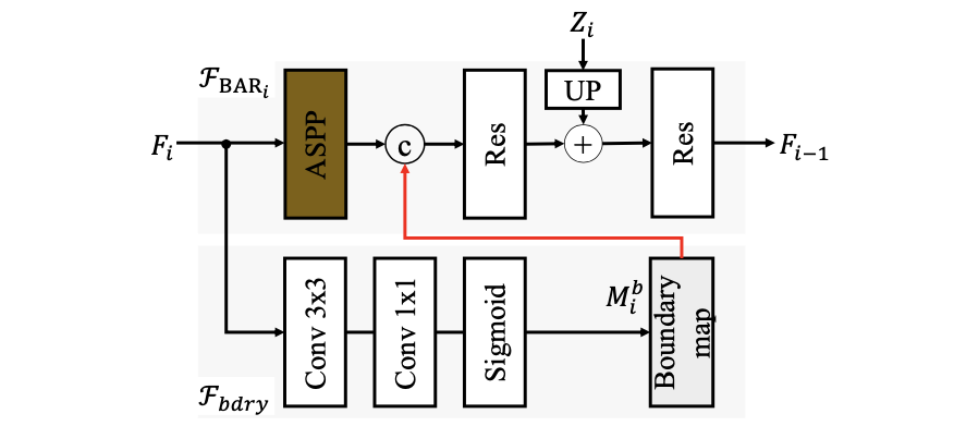
BAR模块:
该模块是用于最后目标mask分割,在其中添加了ASPP和boundary预测用于优化最后分割结果,其结构见下图所示:

性能比较:

paper:Learning Motion-Appearance Co-Attention for Zero-Shot Video Object Segmentation
code:AMC-Net
这篇文章提出的方法结构与上一篇文章的结构相似,也是在motion和appearance之间建立关联性,之后通过多尺度预测得到最后结果,其网络结构见下图所示:

与前面的方法不同的是motion-appearance特征聚合方法以及最后解码单元存在差异,这两者的结构如下图:

性能比较:

paper:Treating Motion as Option to Reduce Motion Dependency in Unsupervised Video Object Segmentation
code:TMO
在之前的方法中都显式使用光流估计结果,其采用的光流估计网络为PWCNet或者是CRAFT,但光流在实际使用过程中光流的质量却是参差不齐的,太过于依赖光流估计的结果显然是存在一定问题的,对此这篇文章的方法去掉了前面两种方法中关于motion-appearance做corr-attention的步骤,而是直接通过在解码器中对GT所需要的特征进行自适应选择,其网络结构见下图所示:

性能对比:
